English
简体中文
欢迎您来到
太仓腾辉金属制品有限公司!
诚信 · 创新
·
务实
·
高效
·
共赢
Integrity · Innovation
·
Pragmatic
·
Efficient
·
Win-Win
首页
关于我们
公司介绍
我们的团队
测试中心
总成产品系列
折背机构总成
后轮总成
扶手总成
刹车总成
快拆
前轮总成
头靠总成
防后倾总成
配件系列
前叉
前轮
扶手圈
轮圈
后轮固定
前轮托架
脚踏
其它配件
新闻资讯
联系我们
首页
>>
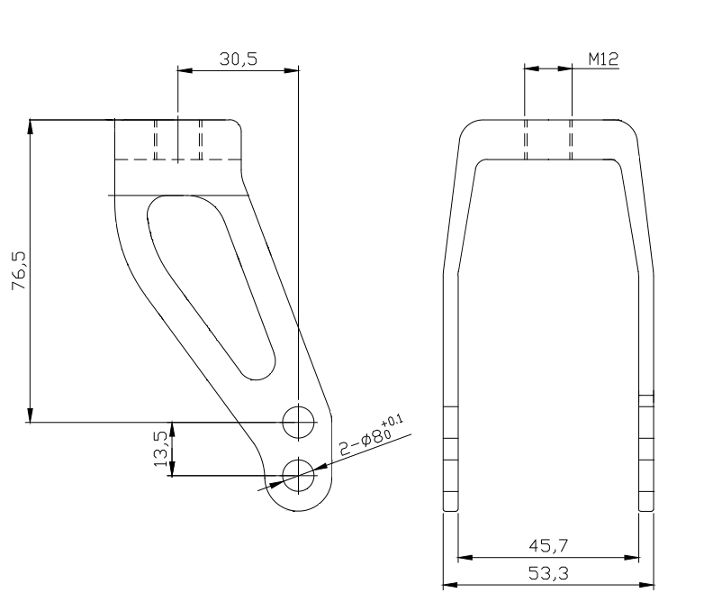
TH-06
TH-06
市场价:
0.00
价格:
0.00
材质:
6061-T6
款式:
双臂
轴承孔:
无
表面处理:
阳极
颜色:
可选
适配轮子:
3"
3.5"
4"
5"
6"
商品信息
商品详情
上一个:
TH06-N18
下一个:
TH06-N20